
電話:0513-88924598
傳真:0513-88922469
郵箱:zxjha@163.com
QQ:451264878
地址:江蘇省海安市開發區通榆中路139號-8
| ||||||||||||||||||||||||||||||||||||||||||||||||||||||||||||||||||||||||||||||||||||||||||||||||||||||||||||||||||||||||||||||||||||||||||||||
產品詳情: | ||||||||||||||||||||||||||||||||||||||||||||||||||||||||||||||||||||||||||||||||||||||||||||||||||||||||||||||||||||||||||||||||||||||||||||||
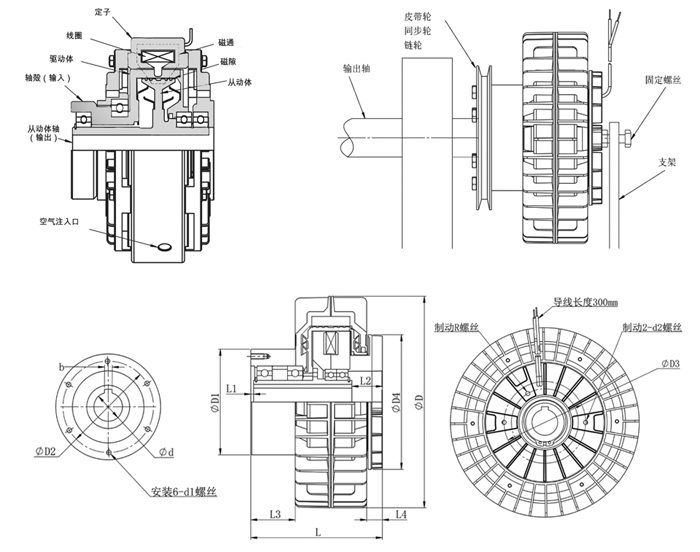
ZA-A型磁粉離合器使用外周旋轉,提高了其散熱性能。常與張力控制器一起使用于收卷的張力控制使用。
外殼旋轉型磁粉離合器安裝注意事項: 1.為了避免散熱片(定子)的制動不至于對離合器內部的軸承造成額外的載荷,請設置保持架(用戶準備)側孔及間隙,并且不要在軸向緊固。
2.必須使用彈性聯軸節連接輸入側和軸,且此時各軸的同心度、直角度必須控制在所用彈性聯軸節的允許范圍內。此外,用螺栓固定插入磁粉離合器中的軸端時,為了避免磁粉離合器內部的軸承受到異常載荷,請在彈性聯軸器上預留一定的軸向間隙。
3.由于外周旋轉,所以務必使用通風良好的金屬網等覆蓋整個設備。
![]()
| ||||||||||||||||||||||||||||||||||||||||||||||||||||||||||||||||||||||||||||||||||||||||||||||||||||||||||||||||||||||||||||||||||||||||||||||
【刷新頁面】【加入收藏】【打印此文】 【關閉窗口】 | ||||||||||||||||||||||||||||||||||||||||||||||||||||||||||||||||||||||||||||||||||||||||||||||||||||||||||||||||||||||||||||||||||||||||||||||
上一篇:FLK型空心軸磁粉離合器 下一篇:ZKB型雙出軸磁粉離合器 |